Мы используем cookie для наилучшего представления нашего сайта. Подробнее об этом в Политике конфиденциальности.
Ок

Электросталь

Ваш город:
Электросталь (Московская область)?
Нет
Да
Каталог
Каталог Написать в WhatsApp
Мотоэкипировка

Компоненты силовой отделки (S/N-0C160935 и ниже) 2-х тактного ПЛМ MERCURY 50EO Серийный номер от 0A721308 и выше

Компоненты силовой отделки (S/N-0C160935 и ниже) 2-х тактного ПЛМ MERCURY 50EO Серийный номер от 0A721308 и выше в Москве: актуальный каталог, цены, фото, описание. Купите компоненты силовой отделки (s/n-0c160935 и ниже) 2-х тактного плм mercury 50eo серийный номер от 0a721308 и выше в кредит – оформите заявку онлайн за 1 минуту!

Оригинальные запчасти

Артикул НАИМЕНОВАНИЕ Кол-во деталей в узле Примечание Наличие Цена Аналоги Фото
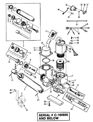
1 99659A21 MANIFOLD ASSEMBLY (MERCURY)

Под заказ

1

Под заказ

уточнить

Купить
2 99659A22 MANIFOLD ASSEMBLY (MARINER)

Под заказ

1

Под заказ

уточнить

Купить
3 56800 Заглушка (PIPE PLUG)

Под заказ

11

Под заказ

уточнить

Купить
4 41493A9 TRIM CYLINDER ASSEMBLY (BLACK)

Под заказ

1

Под заказ

уточнить

Купить
5 41493A6 TRIM CYLINDER ASSEMBLY (GRAY)

Под заказ

1

Под заказ

уточнить

Купить
6 41492A1 GUIDE ASSEMBLY

Под заказ

1

Под заказ

уточнить

Купить
7 41478A1 REPAIR KIT

Под заказ

1

Под заказ

уточнить

Купить
8 41482A3 CHECK VALVE KIT

Под заказ

1

Под заказ

уточнить

Купить
9 8M0021648 END CAP ASSY

Под заказ

2

Под заказ

уточнить

Купить
10 43397A7 PISTON AND ROD ASSEMBLY, PORT

Под заказ

1

Под заказ

уточнить

Купить
11 12184A1 TRIM FILTER ASSEMBLY

Под заказ

1

Под заказ

уточнить

Купить
12 878414T01 TRIM ROD KIT-STBD

Под заказ

1

Под заказ

уточнить

Купить
13 821539 Шпонка (PIN-TRILOBE)

Под заказ

1

Под заказ

уточнить

Купить
14 893929A01 Клапан (VALVE KIT-RELIEF)

Под заказ

1

Под заказ

уточнить

Купить
15 815949001 E-RING

Под заказ

1

Под заказ

уточнить

Купить
16 99642 COVER, MANIFOLD

Под заказ

1

Под заказ

уточнить

Купить
17 48462A4 O RING KIT

Под заказ

1

Под заказ

уточнить

Купить
18 99609A1 PLUG ASSEMBLY

Под заказ

1

Под заказ

уточнить

Купить
19 99641A1 SHAFT ASSEMBLY

Под заказ

1

Под заказ

уточнить

Купить
20 826729A10 POWER TRIM KIT

Под заказ

1

Под заказ

уточнить

Купить
21 99625002 Штифт (SHAFT-UPPER TILT)

Под заказ

1

Под заказ

уточнить

Купить
22 818298Q1 Комплект анодов (ANODE KIT)

Под заказ

1

Под заказ

уточнить

Купить
23 4000332 SCREW, ADAPTOR TO BOTTOM COWL (35MM)

Под заказ

2

Под заказ

уточнить

Купить
24 29245 Шайба (WASHER @10)

Под заказ

2

Под заказ

уточнить

Купить
25 8M0045383 STRIKER PLATE

Под заказ

2

Под заказ

уточнить

Купить
26 58643 LOCKWASHER

Под заказ

2

Под заказ

уточнить

Купить
27 46335 Гайка (PROP NUT)

Под заказ

2

Под заказ

уточнить

Купить
28 99695A1 CONTROL HARNESS ASSEMBLY, POWER TRIM

Под заказ

1

Под заказ

уточнить

Купить
29 17201A2 CONTROL HARNESS, POWER TRIM (2 WIRE)

Под заказ

1

Под заказ

уточнить

Купить
30 87379A39 WIRE ASSEMBLY (2-3/4" - RED)

Под заказ

2

Под заказ

уточнить

Купить
31 96158T Соленоид (SOLENOID)

Под заказ

3

Под заказ

уточнить

Купить
32 41508 SCREW

Под заказ

6

Под заказ

уточнить

Купить
33 94330 Болт (NUT)

Под заказ

4

Под заказ

уточнить

Купить
34 97861 Изолятор (INSULATOR)

Под заказ

2

Под заказ

уточнить

Купить
35 22875 CLIP,WIRES AND HARNESS

Под заказ

1

Под заказ

уточнить

Купить
36 8M0084613 WASHER

Под заказ

1

Под заказ

уточнить

Купить
37 69079 SCREW, HARNESS LEADS (1/2")

Под заказ

1

Под заказ

уточнить

Купить
38 878267 PIN, Groove

Под заказ

1

Под заказ

уточнить

Купить
39 4000377 Болт (SCREW)

Под заказ

6

Под заказ

уточнить

Купить
40 400258 LOCKWASHER, BRACKET SCREW

Под заказ

6

Под заказ

уточнить

Купить
41 88807A16 Кабель (CABLE ASSY)

Под заказ

3

Под заказ

уточнить

Купить

Нулевая цена не означает отсутствие товара. Оформите заказ, и менеджер сообщит вам цену и наличие товара, предварительно запросив их у поставщика

Главная Магазины
Корзина0
Профиль