Маркетплейс для
активного отдыха
Каталог товаров

Запчасти

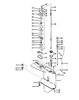
Корпус шестерни (приводной вал) 2-Х ТАКТНОГО ПЛМ MERCURY 50EO Серийный номер от 9385911 до 9469199

Картинка

Нужна помощь менеджера?

Обратиться за помощью
Артикул Фото Наименование Кол-во деталей в узле Примечание Наличие Цена Аналоги
Сортировать:
По номеру
  • По номеру
  • По артикулу
  • По названию
  • По цене
Артикул Фото Наименование Кол-во деталей в узле Примечание Наличие Цена Аналоги
1 1. Арт - 88449A32 GASKET SET GASKET SET Кол-во деталей в узле: 1 1 Под заказ

Уточнить цену

Купить
2 2. Арт - 9539A9 GEAR HOUSING ASSEMBLY (LONG SHAFT) (GRAY) GEAR HOUSING ASSEMBLY (LONG SHAFT) (GRAY) Кол-во деталей в узле: 1 1 Под заказ

Уточнить цену

Купить
3 3. Арт - 9539A3 GEAR HOUSING ASS'Y. (LONG SHAFT) (BLACK) GEAR HOUSING ASS'Y. (LONG SHAFT) (BLACK) Кол-во деталей в узле: 1 1 Под заказ

Уточнить цену

Купить
4 4. Арт - 9539A2 GEAR HOUSING ASS'Y. (SHORT SHAFT) (BLACK) GEAR HOUSING ASS'Y. (SHORT SHAFT) (BLACK) Кол-во деталей в узле: 1 1 Под заказ

Уточнить цену

Купить
5 5. Арт - 79831A1 Набор сальников (SEAL KIT) Набор сальников (SEAL KIT) Кол-во деталей в узле: 1 1 Под заказ

Уточнить цену

Купить
6 6. Арт - 77177A3 Рем.набор помпы (PUMP KIT) Рем.набор помпы (PUMP KIT) Кол-во деталей в узле: 1 1 Под заказ

Уточнить цену

Купить
7 7. Арт - 9539T8 ORD 1643-9539T 1 ORD 1643-9539T 1 Кол-во деталей в узле: 1 1 Под заказ

Уточнить цену

Купить
8 8. Арт - 9539T1 GEAR HOUSING GEAR HOUSING Кол-во деталей в узле: 1 1 Под заказ

Уточнить цену

Купить
9 9. Арт - 85822A10 CONNECTOR ASSEMBLY CONNECTOR ASSEMBLY Кол-во деталей в узле: 1 1 Под заказ

Уточнить цену

Купить
10 10. Арт - 33778 STUD, WATER PUMP/BASE (2-5/8") STUD, WATER PUMP/BASE (2-5/8") Кол-во деталей в узле: 3 3 Под заказ

Уточнить цену

Купить
11 11. Арт - 79953Q04 Болт дренажный 0.375-16х0.25 (SCREW KIT @2) Болт дренажный 0.375-16х0.25 (SCREW KIT @2) Кол-во деталей в узле: 1 1 Под заказ

Уточнить цену

Купить
12 12. Арт - 8M0034453 STUD, (7/16 x 2.19), Electrical Bracket to Cylinder Head STUD, (7/16 x 2.19), Electrical Bracket to Cylinder Head Кол-во деталей в узле: 2 2 Под заказ

Уточнить цену

Купить
13 13. Арт - 8M0084726 PIN - DOWEL PIN - DOWEL Кол-во деталей в узле: 2 2 Под заказ

Уточнить цену

Купить
14 14. Арт - 191833 Прокладка дренажного болта редуктора  F80 Прокладка дренажного болта редуктора F80 Кол-во деталей в узле: 2 2 Под заказ

Уточнить цену

Купить
15 15. Арт - 62091T BEARING BEARING Кол-во деталей в узле: 1 1 Под заказ

Уточнить цену

Купить
16 16. Арт - 72849A1 SCREEN ASSEMBLY, WATER INTAKE SCREEN ASSEMBLY, WATER INTAKE Кол-во деталей в узле: 1 1 Под заказ

Уточнить цену

Купить
17 17. Арт - 92815 Пластина (PLATE, SUPPORT - EXHAUST TUBE) Пластина (PLATE, SUPPORT - EXHAUST TUBE) Кол-во деталей в узле: 1 1 Под заказ

Уточнить цену

Купить
18 18. Арт - 8M0058389 Болт (SCREW KIT @2) Болт (SCREW KIT @2) Кол-во деталей в узле: 1 1 Под заказ

Уточнить цену

Купить
19 19. Арт - 37721001 Сальник (SEAL @2) Сальник (SEAL @2) Кол-во деталей в узле: 1 1 Под заказ

Уточнить цену

Купить
20 20. Арт - 88019T PINION GEAR PINION GEAR Кол-во деталей в узле: 1 1 Под заказ

Уточнить цену

Купить
21 21. Арт - 55910 Гайка (NUT @5) Гайка (NUT @5) Кол-во деталей в узле: 1 1 Под заказ

Уточнить цену

Купить
22 22. Арт - 19552 Прокладка (GASKET) Прокладка (GASKET) Кол-во деталей в узле: 1 1 Под заказ

Уточнить цену

Купить
23 23. Арт - 26722 Уплотнительное кольцо (O RING @3) Уплотнительное кольцо (O RING @3) Кол-во деталей в узле: 1 1 Под заказ

Уточнить цену

Купить
24 24. Арт - 77177A1 WATER PUMP BASE WATER PUMP BASE Кол-во деталей в узле: 1 1 Под заказ

Уточнить цену

Купить
25 25. Арт - 77674 Шайба (WASHER) Шайба (WASHER) Кол-во деталей в узле: 1 1 Под заказ

Уточнить цену

Купить
26 26. Арт - 79831 Сальник (SEAL) Сальник (SEAL) Кол-во деталей в узле: 1 1 Под заказ

Уточнить цену

Купить
27 27. Арт - 90562 Сальник (SEAL @2) Сальник (SEAL @2) Кол-во деталей в узле: 1 1 Под заказ

Уточнить цену

Купить
28 28. Арт - 35973 DOWL PIN DOWL PIN Кол-во деталей в узле: 2 2 Под заказ

Уточнить цену

Купить
29 29. Арт - 19553 Прокладка (GASKET @5) Прокладка (GASKET @5) Кол-во деталей в узле: 1 1 Под заказ

Уточнить цену

Купить
30 30. Арт - 25439 Уплотнительное кольцо (O RING @5) Уплотнительное кольцо (O RING @5) Кол-во деталей в узле: 1 1 Под заказ

Уточнить цену

Купить
31 31. Арт - 32768 Зеркало помпы (FACEPLATE) Зеркало помпы (FACEPLATE) Кол-во деталей в узле: 1 1 Под заказ

Уточнить цену

Купить
32 32. Арт - 77631A2 Втулка (BUSHING ASSEMBLY, SHIF SHAFT) Втулка (BUSHING ASSEMBLY, SHIF SHAFT) Кол-во деталей в узле: 1 1 Под заказ

Уточнить цену

Купить
33 33. Арт - 19551 Прокладка (GASKET @5) Прокладка (GASKET @5) Кол-во деталей в узле: 1 1 Под заказ

Уточнить цену

Купить
34 34. Арт - 77420A1 Подшипник (bearing kit) Подшипник (bearing kit) Кол-во деталей в узле: 1 1 Под заказ

Уточнить цену

Купить
35 35. Арт - 89983T Крыльчатка (IMPELLER) Крыльчатка (IMPELLER) Кол-во деталей в узле: 1 1 Под заказ

Уточнить цену

Купить
36 36. Арт - 8M0032837 KEY @5 KEY @5 Кол-во деталей в узле: 1 1 Под заказ

Уточнить цену

Купить
37 37. Арт - 38452 Сальник (SEAL @2) Сальник (SEAL @2) Кол-во деталей в узле: 1 1 Под заказ

Уточнить цену

Купить
38 38. Арт - 77822A1 Корпус водяной помпы (WATER PUMP BODY) Корпус водяной помпы (WATER PUMP BODY) Кол-во деталей в узле: 1 1 Под заказ

Уточнить цену

Купить
39 39. Арт - 38453 Шайба (WASHER @3) Шайба (WASHER @3) Кол-во деталей в узле: 1 1 Под заказ

Уточнить цену

Купить
40 40. Арт - 48753 Стакан крыльчатки (INSERT) Стакан крыльчатки (INSERT) Кол-во деталей в узле: 1 1 Под заказ

Уточнить цену

Купить
41 41. Арт - 859124 NUT, (#10-32) NUT, (#10-32) Кол-во деталей в узле: 1 1 Под заказ

Уточнить цену

Купить
42 42. Арт - 29245 Шайба (WASHER @10) Шайба (WASHER @10) Кол-во деталей в узле: 3 3 Под заказ

Уточнить цену

Купить
43 43. Арт - 8267089 NUT, (.250-28) NUT, (.250-28) Кол-во деталей в узле: 3 3 Под заказ

Уточнить цену

Купить
44 44. Арт - 20273 Уплотнительное кольцо (O RING @5) Уплотнительное кольцо (O RING @5) Кол-во деталей в узле: 1 1 Под заказ

Уточнить цену

Купить
45 45. Арт - 78654A1 SEAT ASSEMBLY, DRIVE SHAFT SEAT ASSEMBLY, DRIVE SHAFT Кол-во деталей в узле: 1 1 Под заказ

Уточнить цену

Купить
46 46. Арт - 86304 SEAL, SPLINED - DRIVE SHAFT SEAL, SPLINED - DRIVE SHAFT Кол-во деталей в узле: 1 1 Под заказ

Уточнить цену

Купить
47 47. Арт - 29641 Шплинт (E RING @2) Шплинт (E RING @2) Кол-во деталей в узле: 1 1 Под заказ

Уточнить цену

Купить
48 48. Арт - 88181 SLEEVE, LUBRICATION - DRIVE SHAFT SLEEVE, LUBRICATION - DRIVE SHAFT Кол-во деталей в узле: 1 1 Под заказ

Уточнить цену

Купить
49 49. Арт - 92881A1 SHIM, BEARING TO GEAR HOUSING (.002-3-5-10-20) SHIM, BEARING TO GEAR HOUSING (.002-3-5-10-20) Кол-во деталей в узле: 0 0 Под заказ

Уточнить цену

Купить
50 50. Арт - 8164641 Сальник (SEAL) Сальник (SEAL) Кол-во деталей в узле: 1 1 Под заказ

Уточнить цену

Купить
51 51. Арт - 20254 SPRING, COMPRESSION - DRIVE SHAFT SPRING, COMPRESSION - DRIVE SHAFT Кол-во деталей в узле: 1 1 Под заказ

Уточнить цену

Купить
52 52. Арт - 30545 PIN, DRIVE SHAFT PIN, DRIVE SHAFT Кол-во деталей в узле: 1 1 Под заказ

Уточнить цену

Купить
53 53. Арт - 76063A1 SHAFT ASSEMBLY, SHIFT SHAFT ASSEMBLY, SHIFT Кол-во деталей в узле: 1 1 Под заказ

Уточнить цену

Купить
54 54. Арт - 78036 BASE, REVERSE LOCKING BASE, REVERSE LOCKING Кол-во деталей в узле: 1 1 Под заказ

Уточнить цену

Купить
55 55. Арт - 43308T1 Кулачок тяги переключения передач (CAM) Кулачок тяги переключения передач (CAM) Кол-во деталей в узле: 1 1 Под заказ

Уточнить цену

Купить